1980 ford f150 radio wiring

Ford F 350 Wiring Harnes - Wiring Diagram. 18 Pics about Ford F 350 Wiring Harnes - Wiring Diagram : 35 Ford F150 Radio Wiring Harness Diagram - Free Wiring Diagram Source, 1986 F150 Stock/New Stereo Quandry - Page 2 - Ford Truck Enthusiasts Forums and also 1977 F100 AM radio wiring - Ford Truck Enthusiasts Forums.

Ford F 350 Wiring Harnes - Wiring Diagram

Ford F 350 Wiring Harnes - Wiring Diagram cars-trucks24.blogspot.com

wiring ford diagram f250 1989 fuel f150 pump 1987 1988 f350 engine schematic 350 1995 duty super 4x4 diagrams f450

Ford F 350 Wiring Harnes - Wiring Diagram

Ford F 350 Wiring Harnes - Wiring Diagram cars-trucks24.blogspot.com

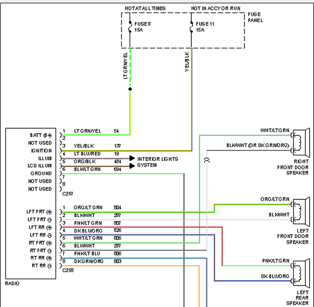
wiring ford f350 harnes harness cab ranch 4x4 2005 2007 king diagram

Stock Radio Wiring - Ford F150 Forum - Community Of Ford Truck Fans

Stock radio wiring - Ford F150 Forum - Community of Ford Truck Fans www.f150forum.com

wiring

1979 F150 Radio Wiring - Page 3 - Ford Truck Enthusiasts Forums

1979 f150 radio wiring - Page 3 - Ford Truck Enthusiasts Forums www.ford-trucks.com

radio 1979 wiring ford f150 truck

1977 F100 AM Radio Wiring - Ford Truck Enthusiasts Forums

1977 F100 AM radio wiring - Ford Truck Enthusiasts Forums www.ford-trucks.com

wiring radio am 1977 ford f100

1986 F150 Stock/New Stereo Quandry - Page 2 - Ford Truck Enthusiasts Forums

1986 F150 Stock/New Stereo Quandry - Page 2 - Ford Truck Enthusiasts Forums www.ford-trucks.com

1986 ford f150 stereo radio quandry

1988 F150 Wiring Harness Diagram - Wiring Diagram And Schematic

1988 F150 Wiring Harness Diagram - Wiring Diagram and Schematic wiring.hpricorpcom.com

f150 schematic

89 Ford F 150 Radio Wiring Diagram - Wiring Diagram Networks

89 Ford F 150 Radio Wiring Diagram - Wiring Diagram Networks kelvin-okl.blogspot.com

Instrument Panel Removal 1980-1986 Ford Bronco/ F150 / | Doovi

Instrument Panel Removal 1980-1986 Ford Bronco/ F150 / | Doovi www.doovi.com

wiring ford 1980 radio f150 stereo diagram 1986 series removal bronco f250 instrument panel speaker fused identification install illumination light

RADIO Problems - Ford F150 Forum - Community Of Ford Truck Fans

RADIO Problems - Ford F150 Forum - Community of Ford Truck Fans www.f150forum.com

radio ford f150

1986 Ford Radio | EBay

1986 Ford Radio | eBay www.ebay.com

ford radio 1986 truck 1980 usa

36 1992 Ford F150 Radio Wiring Diagram - Wiring Diagram Online Source

36 1992 Ford F150 Radio Wiring Diagram - Wiring Diagram Online Source sitzone.blogspot.com

35 Ford F150 Radio Wiring Harness Diagram - Free Wiring Diagram Source

35 Ford F150 Radio Wiring Harness Diagram - Free Wiring Diagram Source mickygurlz.blogspot.com

93 F150 F150 Radio Wiring Need Help - Ford F150 Forum - Community Of

93 f150 f150 radio wiring need help - Ford F150 Forum - Community of www.f150forum.com

f150 wiring radio need help ford

Factory Radio Lights - Page 3 - Ford Truck Enthusiasts Forums

Factory Radio Lights - Page 3 - Ford Truck Enthusiasts Forums www.ford-trucks.com

radio factory lights ford

Ford Truck Radio Wiring Part - Wiring Diagram

Ford Truck Radio Wiring Part - Wiring Diagram cars-trucks24.blogspot.com

41 1988 Ford F150 Radio Replacement - Wiring Diagram Source Online

41 1988 Ford F150 Radio Replacement - Wiring Diagram Source Online apiccolisogni.blogspot.com

f150

1990 Ford F150 Ignition Switch Wiring Diagram - Easywiring

1990 Ford F150 Ignition Switch Wiring Diagram - easywiring www.easywiring.info

wiring idi plug powerstroke l98 f250 f350 pertaining easywiring bronco autowiringdiagram

Wiring ford 1980 radio f150 stereo diagram 1986 series removal bronco f250 instrument panel speaker fused identification install illumination light. 89 ford f 150 radio wiring diagram. Radio problems