1979 trans am headlight wiring diagram

Looking for Taillight Wiring Diagram: the Owner of the Vehicle. 18 Pictures about Looking for Taillight Wiring Diagram: the Owner of the Vehicle : [MT_7088] 1978 Pontiac Trans Am Wiring Diagram Free Diagram, 1968 Pontiac Firebird Wiring Diagram - Wiring Schema and also 1968 Pontiac Firebird Wiring Diagram - Wiring Schema.

Looking For Taillight Wiring Diagram: The Owner Of The Vehicle

Looking for Taillight Wiring Diagram: the Owner of the Vehicle www.2carpros.com

wiring diagram taillight looking

[MT_7088] 1978 Pontiac Trans Am Wiring Diagram Free Diagram

[MT_7088] 1978 Pontiac Trans Am Wiring Diagram Free Diagram nect.ponol.renstra.fr09.org

cj5 cj7 cj scrambler diagrams harness reviewmotors

Wiring Diagram 85 Camaro Sport Coupe - Complete Wiring Schemas

Wiring Diagram 85 Camaro Sport Coupe - Complete Wiring Schemas wiring89.blogspot.com

fsj

[SV_5902] 1981 Firebird Wiring Diagram Schematic Wiring

[SV_5902] 1981 Firebird Wiring Diagram Schematic Wiring cular.phon.renstra.fr09.org

camino wiper schematic cj7 firebird willcox tracer imageservice

1968 Pontiac Firebird Wiring Diagram - Wiring Schema

1968 Pontiac Firebird Wiring Diagram - Wiring Schema wiringschema101.blogspot.com

xsara firebird c5 hdi repara xantia ingraham rita

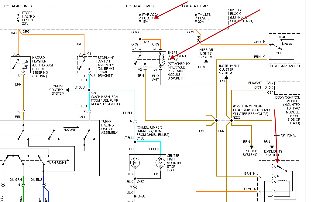
79 Firebird Dash Wiring Diagram - Wiring Diagram Networks

79 Firebird Dash Wiring Diagram - Wiring Diagram Networks kelvin-okl.blogspot.com

1977 harnesses ams

Looking For Taillight Wiring Diagram: The Owner Of The Vehicle

Looking for Taillight Wiring Diagram: the Owner of the Vehicle 2carpros.com

wiring taillight

79 Firebird Dash Wiring Diagram - Wiring Diagram Networks

79 Firebird Dash Wiring Diagram - Wiring Diagram Networks kelvin-okl.blogspot.com

pontiac underdash

| Repair Guides | Wiring Diagrams | Wiring Diagrams | AutoZone.com

| Repair Guides | Wiring Diagrams | Wiring Diagrams | AutoZone.com www.autozone.com

wiring cavalier diagram chevy 1997 headlight 97 diagrams cluster pontiac schematic starter instrument drl headlights 1995 dodge chassis 1999 lumina

1968 Pontiac Firebird Wiring Diagram - Wiring Schema

1968 Pontiac Firebird Wiring Diagram - Wiring Schema wiringschema101.blogspot.com

wiper willcox diagrams scheibenwischer abdeckung

97 Cluster Wiring Help - LS1LT1 Forum : LT1, LS1, Camaro, Firebird

97 Cluster wiring help - LS1LT1 Forum : LT1, LS1, Camaro, Firebird ls1lt1.com

wiring help lt1 cluster tech engine somebody ls1 wire firebird am camaro fellow talked noobs knows everyone thanks

The Bulbs To My Instrument Panel In My 1998 Pontiac Trans Sport Are Out

The bulbs to my instrument panel in my 1998 pontiac trans sport are out www.justanswer.com

fuses

Dash Wiring 87 Trans Am - Third Generation F-Body Message Boards

Dash Wiring 87 Trans Am - Third Generation F-Body Message Boards www.thirdgen.org

wiring dash trans am

I Need Some Help. I Believe I Have Some Sort Of Wiring Problem.

I Need Some Help. I Believe I Have Some Sort of Wiring Problem. www.2carpros.com

Turn Signals Not Working: 1998 Pontiac Trans Am Lighting Issue. Hi...

Turn Signals Not Working: 1998 Pontiac Trans Am Lighting Issue. Hi... www.2carpros.com

trans 1998 signals turn working am

1979 Camaro Dash Wiring Diagram

1979 camaro dash wiring diagram coolshotfilms.com

dash installing

[DIAGRAM] 79 Firebird Headlight Wiring Diagram FULL Version HD Quality

[DIAGRAM] 79 Firebird Headlight Wiring Diagram FULL Version HD Quality emrwired.lecieldejustine.fr

firebird relay

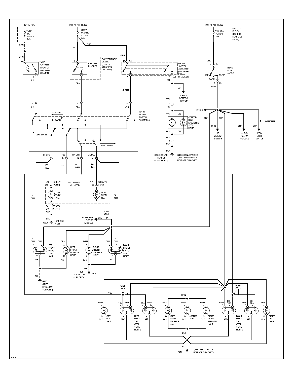
1989 Pontiac Trans Am 5.0L MFI OHV 8cyl | Repair Guides | Wiring

1989 Pontiac Trans Am 5.0L MFI OHV 8cyl | Repair Guides | Wiring www.autozone.com

wiring light marker side license plate diagrams autozone parking lights taillights schematic electrical fig 2003 trans 1989 am

Wiring help lt1 cluster tech engine somebody ls1 wire firebird am camaro fellow talked noobs knows everyone thanks. 79 firebird dash wiring diagram. Dash wiring 87 trans am