1976 lincoln wiring schematic

Wiring Schematic 1999 Lincoln - Wiring Diagram Schemas. 16 Pictures about Wiring Schematic 1999 Lincoln - Wiring Diagram Schemas : 1976 Lincoln Wiring Diagram Schematic | schematic and wiring diagram, Wiring Diagram For 1975 Mustang - Complete Wiring Schemas and also 1976 Cadillac Eldorado Wiring Diagrams Light | schematic and wiring diagram.

Wiring Schematic 1999 Lincoln - Wiring Diagram Schemas

Wiring Schematic 1999 Lincoln - Wiring Diagram Schemas wiringschemas.blogspot.com

wiring

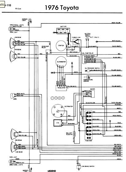
Repair-manuals: Toyota Hilux 1976 Wiring Diagrams

repair-manuals: Toyota Hilux 1976 Wiring Diagrams repair-manuals.blogspot.com

hilux toyota wiring diagram diagrams 1976 electrical 2kd manuals repair fj40 ftv

Wiring Diagrams Of 1960 Ford Lincoln And Continental Part 1 | Lincoln

wiring diagrams of 1960 ford lincoln and continental part 1 | Lincoln www.pinterest.com

1975 Volkswagen Wiring Diagram - Wiring Diagram Schemas

1975 Volkswagen Wiring Diagram - Wiring Diagram Schemas sightronscopes.blogspot.com

1976 Lincoln Wiring Diagram Schematic | Schematic And Wiring Diagram

1976 Lincoln Wiring Diagram Schematic | schematic and wiring diagram schematicandwiringdiagram.blogspot.com

wiring

1976 Cadillac Eldorado Wiring Diagrams Light | Schematic And Wiring Diagram

1976 Cadillac Eldorado Wiring Diagrams Light | schematic and wiring diagram schematicandwiringdiagram.blogspot.com

cadillac eldorado

[DIAGRAM] Volvo S40 Electric Power Steering Pump Wiring Diagram FULL

[DIAGRAM] Volvo S40 Electric Power Steering Pump Wiring Diagram FULL controlversion.amandine-brevelay.fr

volvo s40

Wiring Diagram PDF: 1946 Lincoln Wiring

Wiring Diagram PDF: 1946 Lincoln Wiring wiring-pdf.blogspot.com

1946 wiring pdf diagram 1942 1949 1952 1948 1951 1941 1947 hudson 1950

Free Auto Wiring Diagram: 1976 Triumph Spitfire Wiring Diagram

Free Auto Wiring Diagram: 1976 Triumph Spitfire Wiring Diagram autowiringdiagram.blogspot.com

wiring diagram triumph spitfire 1976

Lincoln Wiring Diagrams: 1957 - 1965

Lincoln Wiring Diagrams: 1957 - 1965 www.oldcarmanualproject.com

wiring diagram fuse toyota lincoln diagrams box bmw tercel chevy 1962 1994 1965 panel half left 1957 camry

Wiring Diagram | Lincoln | Flickr

Wiring Diagram | Lincoln | Flickr www.flickr.com

lc4 schaltplan

Wiring Diagram For 1975 Mustang - Complete Wiring Schemas

Wiring Diagram For 1975 Mustang - Complete Wiring Schemas wiring89.blogspot.com

f100 imageservice alternator

Repair-manuals: Toyota Corolla 1976 Wiring Diagrams

repair-manuals: Toyota Corolla 1976 Wiring Diagrams repair-manuals.blogspot.com

wiring toyota 1976 corolla diagrams manuals repair

Lincoln Shop And Overhaul Manual

Lincoln Shop and Overhaul Manual www.canadianmilitarypattern.com

manual

1993 Lincoln Wiring Diagram - Wiring Diagram Schema

1993 Lincoln Wiring Diagram - Wiring Diagram Schema kiona-machit.blogspot.com

May I Please Have A Wiring Diagram For A 1990 Lincoln Town Car: Radio.

May I please have a wiring diagram for a 1990 lincoln town car: Radio. www.justanswer.com

lincoln wiring diagram town radio 1990 2001 1997 please 2004 electrical 2007 2000 justanswer 2008 fusion horn ford fair help

Wiring toyota 1976 corolla diagrams manuals repair. May i please have a wiring diagram for a 1990 lincoln town car: radio.. 1993 lincoln wiring diagram