1974 toyota corolla wiring diagram

1991 Toyota Corolla Wiring Diagram Manual Original. 18 Images about 1991 Toyota Corolla Wiring Diagram Manual Original : repair-manuals: Toyota Corolla 1974 Wiring Diagrams, Toyota Dyna Electrical Wiring Diagram - Home Wiring Diagram and also Toyota Corolla Engine Cooling Fan Controller. ROOM, TRANSMISSION, RELAY.

1991 Toyota Corolla Wiring Diagram Manual Original

1991 Toyota Corolla Wiring Diagram Manual Original www.faxonautoliterature.com

corolla toyota 1991 diagram wiring manual

Toyota Dyna Electrical Wiring Diagram - Home Wiring Diagram

Toyota Dyna Electrical Wiring Diagram - Home Wiring Diagram homewiringdiagram.blogspot.com

toyota diagrams

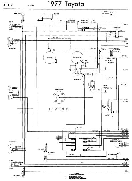
Repair-manuals: Toyota Corolla 1977 Wiring Diagrams

repair-manuals: Toyota Corolla 1977 Wiring Diagrams repair-manuals.blogspot.com

toyota corolla 1977 wiring manuals repair wiper rear

1993 Toyota Corolla Wiring Diagram Manual Original

1993 Toyota Corolla Wiring Diagram Manual Original www.faxonautoliterature.com

corolla toyota diagram 1993 wiring manual

1999 Toyota Corolla Wiring Diagram Manual Original

1999 Toyota Corolla Wiring Diagram Manual Original www.faxonautoliterature.com

1988

Repair-manuals: Toyota Corolla 1974 Wiring Diagrams

repair-manuals: Toyota Corolla 1974 Wiring Diagrams repair-manuals.blogspot.com

corolla 1974 toyota

Toyota Corolla Piece, Distributor Cap, Center - 1911550010 | Salinas

Toyota Corolla Piece, distributor cap, center - 1911550010 | Salinas parts.salinastoyota.com

ignition cnd

85 Bronco Alternator Wiring Diagram / 82 Dodge Truck Alternator Wiring

85 Bronco Alternator Wiring Diagram / 82 Dodge Truck Alternator Wiring wiringdiagram001.blogspot.com

wiring exciter volvoforums

Toyota Corolla Ring, O(for Chain Tensioner). Engine - 9030122013 | Jim

Toyota Corolla Ring, o(for chain tensioner). Engine - 9030122013 | Jim parts.jimellistoyota.com

camshaft tensioner lifter

Repair-manuals: Toyota Corolla 1981 Wiring Diagrams

repair-manuals: Toyota Corolla 1981 Wiring Diagrams repair-manuals.blogspot.com

corolla 1981 toyota manuals repair wiring

2002 Toyota Camry Front End Parts Diagram — Niedrige Preise, Riesen-auswahl

2002 Toyota Camry Front end Parts diagram — niedrige preise, riesen-auswahl hamar-han.com

camry

Repair-manuals: Toyota Corolla 1982 Wiring Diagrams

repair-manuals: Toyota Corolla 1982 Wiring Diagrams repair-manuals.blogspot.com

toyota 1982 wiring corolla manuals repair instrument

Toyota Corolla Wire, Front Turn Signal Lamp Repair. Electrical, Wiring

Toyota Corolla Wire, front turn signal lamp repair. Electrical, wiring parts.conicellitoyotaofspringfield.com

alternator clamp

Toyota Corolla (1997+) Wiring Diagrams For Download

Toyota Corolla (1997+) wiring diagrams for download www.autorepguide.com

autorepguide

1993 Toyota Corolla Electrical Wiring Diagrams - Original Shop Manual

1993 Toyota Corolla Electrical Wiring Diagrams - Original Shop Manual www.ebay.com

toyota wiring 1993 diagrams electrical manual corolla

Toyota Corolla Engine Cooling Fan Controller. ROOM, TRANSMISSION, RELAY

Toyota Corolla Engine Cooling Fan Controller. ROOM, TRANSMISSION, RELAY parts.jimellistoyota.com

1974 Plymouth Duster Wiring Harness | Schematic And Wiring Diagram

1974 Plymouth Duster Wiring Harness | schematic and wiring diagram schematicandwiringdiagram.blogspot.com

Repair-manuals: Toyota Corolla 1978 Wiring Diagrams

repair-manuals: Toyota Corolla 1978 Wiring Diagrams repair-manuals.blogspot.com

toyota wiring corolla 1978 diagrams manuals repair

Toyota corolla engine cooling fan controller. room, transmission, relay. Repair-manuals: toyota corolla 1974 wiring diagrams. Alternator clamp