1971 monte carlo ac wiring diagram

1970 Monte Wiring Diagrams - Electrical Tech - First Generation Monte. 16 Pictures about 1970 Monte Wiring Diagrams - Electrical Tech - First Generation Monte : Factory Wiring Diagram, Full Color WIRING DIAGRAM, 1970-71 CH/EC/MC, 2003 Chevrolte Monte Carlo 3400 Wiring Diagram | Wiring circuit and also 1970 Monte Wiring Diagrams - Electrical Tech - First Generation Monte.

1970 Monte Wiring Diagrams - Electrical Tech - First Generation Monte

1970 Monte Wiring Diagrams - Electrical Tech - First Generation Monte www.firstgenmc.com

More AC Blower Wiring Questions - Electrical - First Generation Monte

more AC blower wiring questions - Electrical - First Generation Monte www.firstgenmc.com

blower

Chevrolet Monte Carlo 1974 Electrical Wiring Diagram Auto | Wire

Chevrolet Monte Carlo 1974 Electrical Wiring Diagram Auto | Wire tinyjudson.blogspot.com

1974 schemas catalogue

1995 Chevrolet Monte Carlo SS Engine Compartment Wiring Diagrams

1995 Chevrolet Monte Carlo SS Engine Compartment Wiring Diagrams wiringdiagramsolutions.blogspot.com

monte carlo ss engine chevrolet wiring 1995 compartment diagrams schematic

Factory Wiring Diagram, Full Color WIRING DIAGRAM, 1970-71 CH/EC/MC

Factory Wiring Diagram, Full Color WIRING DIAGRAM, 1970-71 CH/EC/MC www.opgi.com

carlo monte wiring diagram opgi

2003 Chevrolte Monte Carlo 3400 Wiring Diagram | Wiring Circuit

2003 Chevrolte Monte Carlo 3400 Wiring Diagram | Wiring circuit digschema.blogspot.com

2003 carlo monte wiring diagram circuit chevrolet diagrams

January 2012 | Auto Wiring Diagrams

January 2012 | Auto Wiring Diagrams autowiringdiagrams.blogspot.no

wiring carlo monte diagram 2003

Wiring Issue - Monte Carlo Forum - Monte Carlo Enthusiast Forums

Wiring issue - Monte Carlo Forum - Monte Carlo Enthusiast Forums montecarloforum.com

diagram carlo monte wiring ss 1985 chevy headlight issue conversion 2carpros chevrolet

Voltase Hobby: Chevrolet Monte Carlo 1974 Electrical Wiring Diagram

Voltase hobby: Chevrolet Monte Carlo 1974 Electrical Wiring Diagram volthobby.blogspot.com

diagram wiring 1974 monte carlo chevrolet electrical

Monte Carlo Headlight Wiring Diagram - Wiring Diagram

Monte Carlo Headlight Wiring Diagram - Wiring Diagram wiring121.blogspot.com

monte diagram carlo wiring headlight

Wiring Diagram For 1986 Monte Carlo Ss - Wiring Diagram

Wiring Diagram For 1986 Monte Carlo Ss - Wiring Diagram wiringdiagram.2bitboer.com

1986 chevrolte outletdiagram radiotelegrafia

1995 Chevrolet Monte Carlo SS Complete Wiring Diagram Part 1

1995 Chevrolet Monte Carlo SS Complete Wiring Diagram Part 1 wiringdiagramsolutions.blogspot.com

carlo monte ss diagram wiring 1995 chevrolet complete schematic

1996 Monte Carlo Wiring Diagram

1996 Monte Carlo Wiring Diagram policialvelames.blogspot.com

stereo schematic vacuum d03c emission

1971 Chevelle Wiring Diagram Manual Reprint Malibu, SS, El Camino

1971 Chevelle Wiring Diagram Manual Reprint Malibu, SS, El Camino www.faxonautoliterature.com

1971 camino el reprint wiring diagram malibu chevelle manual ss finger tip chevrolet facts

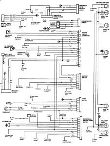
1971 Chevy Monte Carlo Wiring Diagram Schematic | Wire

1971 Chevy Monte Carlo Wiring Diagram Schematic | Wire tinyjudson.blogspot.com

914 diagram electrique wiringg automatisme coulissant portail vmc kawasaki schematic pelicanparts

Wiring Diagram : 1986 Oldsmobile Cutlass Wiring Diagram. 1986

Wiring Diagram : 1986 Oldsmobile Cutlass Wiring Diagram. 1986 mrswagesstore.com

blower cutlass heater oldsmobile shopmanual resistor berlinetta

1971 chevelle wiring diagram manual reprint malibu, ss, el camino. Chevrolet monte carlo 1974 electrical wiring diagram auto. Factory wiring diagram, full color wiring diagram, 1970-71 ch/ec/mc